Дизайн интерьера / Сделай сам / Видео новости
		Как из хлама сделать простой повышающий преобразователь для различных нужд - «Сделай сам»
 
Катушка индуктивности.
Резистор 1 кОм.
Диод.
Конденсатор 100 мкФ 400 В.
Все детали можно найти на блоке питания от компьютера.
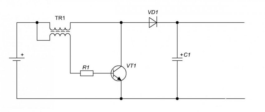
Схема
Простейшая схема на одном транзисторе с самовозбуждением. На выходе в качестве диода можно поставить стабилитрон и тогда выходное напряжение будет стабилизированно до заданного значения.
Катушка использована готовая. Если соберетесь делать сами, то берите провод 0,7 мм. Число витков 45 с отводом от 30 витка.
Изготовление преобразователя постоянного тока своими руками
Выпаиваем катушку индуктивности по схожим параметрам.
Отвода от середины у нее нет, поэтому сделаем его сами. Отсчитав примерное соотношение витков, канцелярским ножом соскребем лак в месте пайки.
Припаяем провод и средний вывод готов.
Транзистор устанавливаем на радиатор.
Припаиваем индуктивность.
Припаиваем резистор.
Припаиваем диод, конденсатор, провода.
На этом преобразователь готов к работе.
Испытываем преобразователь в действии
Подаем напряжение 1,3 В. И на выходе уже имеем 18 В.
Увеличиваем напряжение до 2,2 В и на выходе получается порядка 50 В
При входе 4,4 В, получается более 150 В.
Пробуем на небольшой нагрузке, в виде которой используется неоновая лампа.
Теперь испытаем преобразователь на более реальной нагрузке - светодиодной лампе.
Преобразователь хорошо питает лампу при 5 В.
КПД преобразователя порядка 98%, потребляемая мощность около 5 Вт.
Смотрите видео
Ссылки по теме:
		Читайте также:
		 
	Как сделать очень простой индукционный нагреватель на транзисторах - «Сделай сам»
		
	 
	Как из компьютерного блока сделать универсальный источник питания 0-25 В - «Сделай сам»
		
	 
	Как сделать высоковольтный повышающий преобразователь без транзисторов - «Сделай сам»
		
	 
	Как сделать простую индукционную плиту 180 Вт - «Сделай сам»
		
	 
	 
	 
	 
	 
	 
	 
	 
	 
	 
	 
	 
	 
	 
	 
	 
	 
			















 
	