Как сделать простую индукционную плиту 180 Вт - «Сделай сам»
 
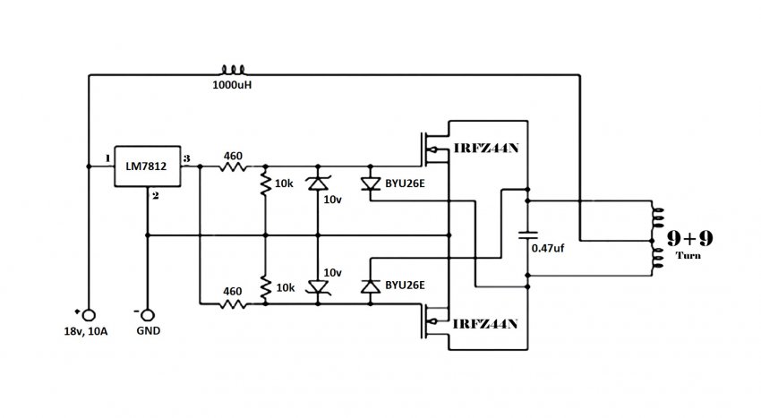
Резисторы 460 Ом - 2 шт, 10 кОм - 2 шт - http://alii.pub/5h6ouv
Диоды UF4007- 2 шт - http://ali.pub/5coyp6
Стабилитроны 10 В - 2 шт - http://alii.pub/5myg53
Конденсатор 0,47 мкФ - http://alii.pub/5myg8z
Микросхема-стабилизатор LM7812 - http://alii.pub/5mygd9
Индуктивность 1000 мкГ - http://ali.pub/5cozji
Схема индукционной плиты
Схема классическая для простейших индукционных нагревателей с самовозбуждением.
Катушка плиты
Излучающая катушка плиты представляет из себя «улитку» намотанную виток к витку толстым изолированным проводом 1,5 кв.мм. и состоит из 18 витков с отводом от середины. Витки, чтобы не расходились, приклеены на клеящие полоски.
Изготовление индукционной плиты своими руками
Плата была изготовлена на заказ. Вы же можете собрать схему навесным монтажем, либо на универсальной плате.
Устанавливаем все детали на плату начиная с самых маленьких.
И заканчивая индуктивностью.
Запаиваем и обрезаем вывода.
Припаиваем провода питания, выходные транзисторы устанавливаем на небольшие радиаторы.
Подключаем излучающую катушку к выходу платы.
Подаем питание обязательно от мощного блока. При установке на катушку металлической посуды потребляемый ток должен существенно возрасти.
Через 10 минут вода закипит.
Мощность потребляемая плитой составляет 180 Вт, которая складывается из: 10 А ток потребления при 18 В. Эта мощность имеет более высокий КПД по сравнению с нагревательными элементами, так как легко концентрируется в нужном месте и не расходуется на теплопотери.
Смотрите видео
Еще один вариант простой индукционной плиты - https://sdelaysam-svoimirukami.ru/7031-kak-sdelat-prostuju-indukcionnuju-plitu-na-2-tranzistorah.html
 
	 
	 
	 
	 
	 
	 
	 
	 
	 
	 
	 
	 
	 
	 
	 
	 
			















 
	 
	 
	 
	 
	