Самодельная светодиодная лампа - «Электричество»

Светодиоды вошли в наше домашнее освещение очень стремительно. Учитывая возрастающий спрос на продукцию с накаткой «LED» лампы, но цена на них пока не так чтобы низкая. Взвесив все за и против захотелось для себя, что то смонтировать. Так как я начинающий, буду расписывать все просто и доступно.
И так.
Я буду делать на печатной плате по технологии ЛУТ(лазерно-утюжная технология).
У меня светодиоды размера 5630, так что мне ЛУТ подходит как раз. Светодиоды купил на Алиэкспресс за 75 центов 100 штук.
О схеме.
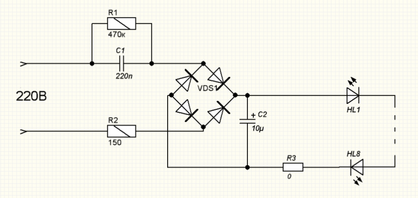
Использовать буду схему с гасящим конденсатором.
В данной схеме конденсатор С1 выполняет роль ограничителя тока, R1 разрядный резистор (необходим для разряда конденсатора после отключения схемы от сети). Резистор R2 выполняет роль защиты, точней ограничитель бросков тока во время заряда конденсатора C1. Диодный мост, у меня 4-е диода собранные в мост, выполняют роль выпрямителя из переменного тока в постоянный. Конденсатор С2, сглаживающий пульсации выпрямленные диодным мостом, можно поставить и емкостью побольше, у меня какой был, я его и поставил. Напряжением он должен быть максимально возможным. Был случай обрыва линейки светодиодов и напряжение на конденсаторе поднялось и последний рванул. Резистор R3 указал с нулевым сопротивлением, его можно вообще не ставить, если ток вас устраивает. Светодиодов у меня будет в районе 8 штук.
Проводя эксперименты пришел к примерно одинаковым результатам. Зависимость тока от емкости конденсатора при количестве светодиодов. Результаты привожу в таблице.
Емкость С1  | 0,22мк  | 0,47 мк  | 1,0мк  | 
Ток на светодиодах  | 13,5 мА  | 27 мА  | 64,5 мА  | 
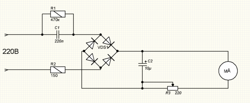
Зависимость тока, от емкости гасящего конденсатора, проверял по простой схемке. Она же схожа с окончательной схемой светодиодной лампы. Единственное что могу отметить, это регулируемый резистор R3. Им гасил излишки тока. Это для случая если у вас есть например конденсатор емкостью 1 мк и тока вашей линейке светодиодов многовато.
Можно конечно и посчитать по формуле:

Или по упрощенной формуле:

Мне же было проще собрать испытательную схему и подставляя разного номинала конденсаторы, подобрать нужную емкость.
Подсчитали номиналы компонентов.
Как уже упоминал, буду использовать смд светодиоды размера 5630. Заявленные параметры одного:
Падение напряжения - 3.0-3.2 вольта;
Ток указано - 150 мА (видимо самый максимальный);
Мощность – около 0.5 ватта (тоже самый максимум видимо).
Переходим к сборке.
В качестве корпуса буду использовать часть от сгоревшей КЛЛ или просто экономки.
Диаметр платы составляет 38 мм, под размер корпуса. Плату в формате lay прилагаю.
https://yadi.sk/d/PVXymJJHpoWJ5
Печатку можно подкорректировать под свой корпус без проблем. Гасящий конденсатор буду припаивать навесом на резистор R1. Почему так, а просто так получилось из-за размера корпуса. Так же резистор R2 вынесен наружу и выполняет роль «растяжки», т.е. держит плотно плату, исключая её выпадение.

Детали:
С1 - типа К73-17 на номинальное напряжение 630 вольт(можно и на 400В, у меня просто был на 630В) и емкостью 0.47 мк;
R1 - 0.25 ватта/470к – 1м;
R2 - 0.25 ватта/150-220 ом;
R3 – по необходимости;
VDS1 – 1N4007;
С1 – 2,2-10 мк (пойдет любой на напряжение не менее 50В), еще лучше около 450В.
Травим плату, сверлим отверстия и лудим.
Паяем компоненты.

После все аккуратно вмещаем в корпус. У меня оказался мал, пришлось все компактно устанавливать и результат был достигнут.

Запаиваем провод и резистор «распорку».
Включаем через предохранитель и потом меряем ток. У меня получилось 34мА. Т.е. потребление лампы около 7.45 ватт. Сколько по свету, сказать точно не могу, померить увы нечем, но думаю больше 3 ватт.
Советую к просмотру видео, там виден результат работы наглядней.
https://www.youtube.com/watch?v=S_ASssyJcDw
Напоминаю, схема не имеет развязки от сети, будь те предельно осторожны!
Спасибо за внимание!
	
	
	
	
	
	
	
	
	
	
	
	
	
	
	
	
			



